产品中心专业连接方案及智能制造方案提供商
产品中心Product Center
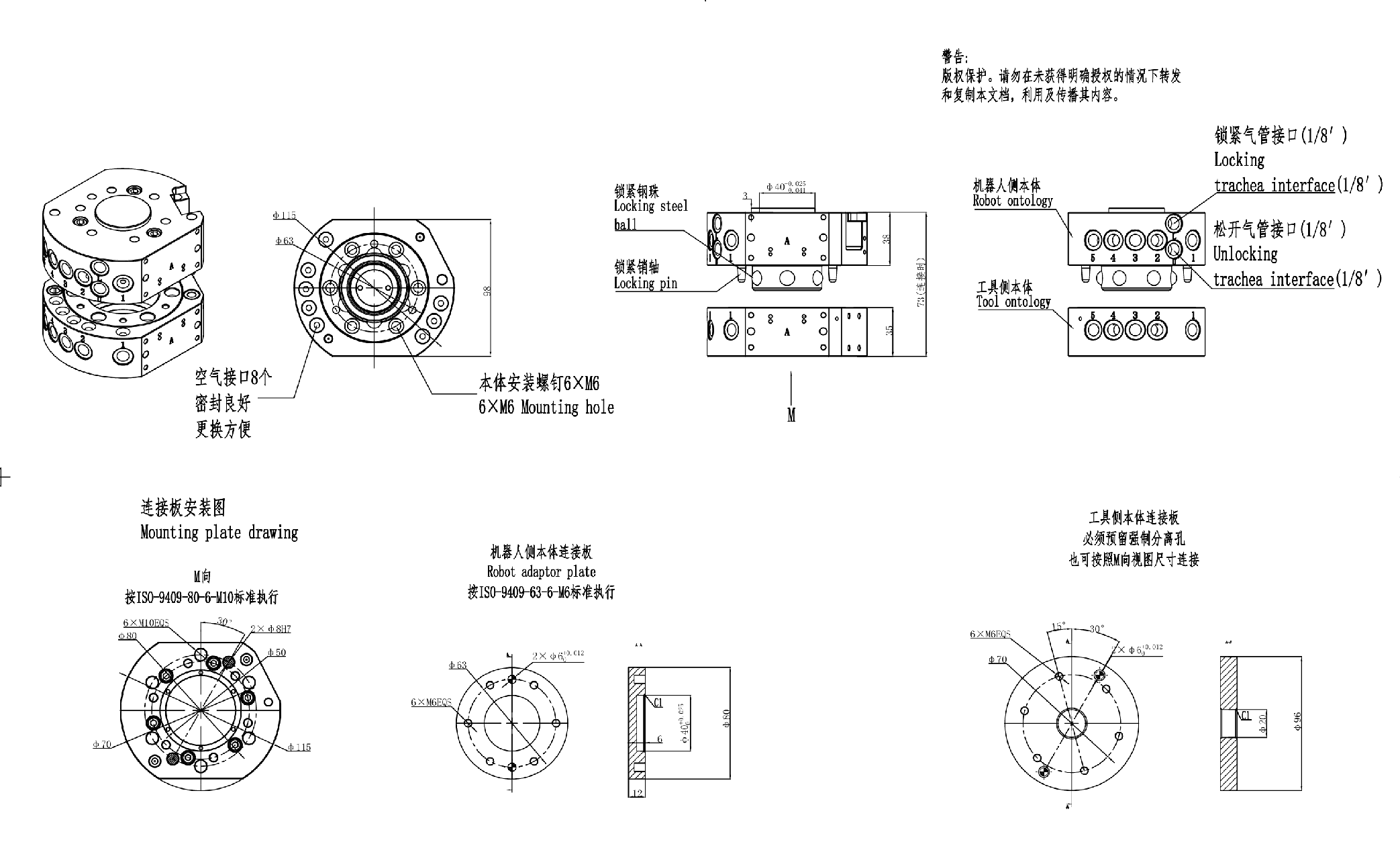
型号:TSI-040A

型号:TSI-040A(可负载40kg)

1、 可负载40kg

2、 盘体自带8路1/8气路,2个模块安装面

3、 采用钢珠锁紧方式

4、 采用机械式故障保险机构,即使意外断气,主盘与工具盘也不会分离

5、 适应搬运,装配、码垛等工况

6、 标配松开、锁紧、在位检测传感器


服务热线:13585599440

规格参数

型号

TSI-040A

材质

本体

铝合金

负载

40kg

锁紧机构

合金钢

重复定位精度

±0.02mm

产品

重量

主盘

1280g

静态弯矩

320N•m

工具盘

800g

静态扭矩

320N•m

外形尺寸

锁紧时

Φ115mm*H73mm

锁紧力

7600N

通用部分

空气接口

8×PT1/8

锁紧机构

钢珠锁紧

工作

环境

温度

0℃-55℃

往复动作气压

0.45~0.8Mp

湿度

0-95%


安装尺寸图

image.png

电话
首页
二维码